
|
Die Busausgänge der FCC (und der MiniFCC) haben einen Ausgangswiderstand von 100 Ohm. Bei manchen Kabeln kann das aufgrund deren Kapazität zum Verschleifen der Signale führen. Dies zeigt sich, daß z.B. Weichen ziellos schalten. Hier hilft ein Busverstärker, der hier gezeigte hat zwei Vorteile:
- Er ist realativ billg.
- Er hat einen niedrigeren Ausgangswiderstand von ca. 25 Ohm.
Verwendet wird ein Treiber-IC SN74244. (Ein 74HC541 würde auch gehen - hat aber eine andere Pinbelegung.*) Es wird - wie die SX-Busleitungen - mit 5V betrieben, deswegen ist noch ein Spannungsregler nötig, falls die Versorgung aus dem SX-Bus erfolgen soll.
*) 74541: +5V und GND wie 74244, die Eingänge liegen aber auf Pin 2 bis 9 und die Ausgänge auf Pin 18 bis 11.
|

|
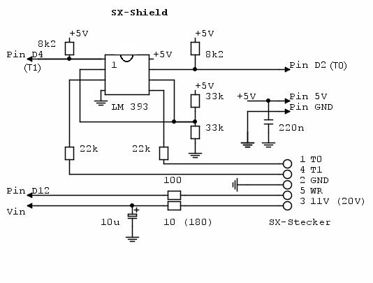
Mit einem Komparator LM393 kann für die Signale T0 und T1 eine Schaltschwelle von Ub/2 erreicht werden.
Bei etwas größeren Anlagen und Selbstbaukomponenten ist der Einsatz dieser Schaltung sehr zu empfehlen!
Eine weitere Anmerkung zur FCC:
Werden Selbstbaukomponenten mit separater 5V-Versorgung eingesetzt, so ist der Massenfußpunkt der FCC mit einem ausreichend dicken Kabel mit dem zentralen Massenpunkt zu verbinden.
(Der Massenpunkt der FCC liegt am Minuspol der beiden großen Elkos. Das Öffnen der FCC und das Anlöten des Massekabels lässt evtl. Garantieansprüche erlöschen!)
|

|
Beschaltung einer SX-Buchse. Die Betriebsspannung B beträgt normalerweise ca. 20V, Zentralen der Spur Z werden jedoch meist mit niedrigerer Spannung versorgt, hier beträgt B meist um 12V.
|
|