Modelleisenbahn in Spur Z (Spurweite 6,5mm, Maßstab 1:220). Infos zur Modellbahn, Tipps zur Eisenbahn, Arduino, throttle.
Universal-Analog-Regler
Funktion

Video dazu
|
Dieser Regler hat die gleichen Funktionen wie der Analog-PWM-Regler. Der einzige Unterschied ist, daß ein LCD-Display (40 x 2) vorgesehen ist und daß mit einem zusätzlichen Schalter die PWM-Frequenz gewählt werden kann. Die möglichen PWM-Frequenzen sind:
0 Hz, Gleichstrom
61 Hz
123 Hz
244 Hz
490 Hz
977 Hz
3,9 kHz
7,8 kHz
31,4 kHz
62,5 kHz
|
Aufbau

|
Der Aufbau vereinfacht sich, wenn auf den Gleichstrombereich verzichtet werden kann. In diesem Fall muss nur noch das LCD-Display an den Pin 27 und 28 angeschlossen werden - alles andere ist wie beim Analog-PWM-Regler, nur daß einige Ports anders belegt sind.
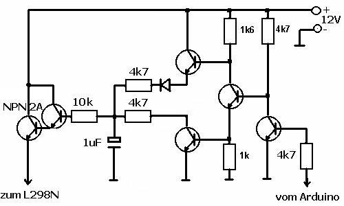
Soll auch DC zur Verfügung stehen, benötigt man noch nebenstehende Schaltung. Sie setzt die 5V-PWM des Arduino um auf Null bis 12V für den Fahrstrom.
Es müsste fast jeder Kleinsignal-NPN-Transistor passen. Bis auf den zweiten in der Darlingtonschaltung, da sollte es ein beliebiger 2A-Typ sein.
Anstatt der 12V kann bis auf die maximale Spannung des L298 (46V) gegangen werden.
|

|
Wünscht man auch DC, gilt folgendes:
Beim L298 müssen die markierten Jumper abgezogen werden. An dem freiwerdenden grün markierten Pin wird +12V angelötet. Die 5V (gelb) versorgen dann den ATMega328 mit Strom und Vin (blau) kommt vom Emitter des NPN in obiger Schaltung.
|
Noch einige Tipps:
Die Schaltung ist fast dieselbe wie beim Analog-PWM-Regler. Nur einige Pins sind anders belegt. Hier eine Auflistung:
Die Frequenzwahl wird im BCD-Code an den Arduinoportnummern 0 bis 3 eingestellt, beim ATMega328 sind das die Pins 2 bis 5.
IN1 des L298 ist an der Arduinoportnummer 4 also am Pin 6 angeschlossen.
IN2 des L298 ist an der Arduinoportnummer 5 also am Pin 11 angeschlossen.
EN des L298 ist an den Arduinoportnummern 6 und 9 also an den Pins 12 und 15 angeschlossen.
Die DuoLED ist mit dem roten Anschluß an der Arduinoportnummer 7 also am Pin 13 angeschlossen.
Die DuoLED ist mit dem grünen Anschluß an der Arduinoportnummer 8 also am Pin 14 angeschlossen.
Die Arduinoportnummer 10 also Pin 16 geht an den Eingang der Zusatzschaltung für DC.
Der Notaustaster ist an der Arduinoportnummer 11 also am Pin 17 angeschlossen.
Die Potis und das Display sind wie beim Analog-PWM-Regler angeschlossen.
Den Schalter zur Frequenzwahl kann man verschiedenartig gestalten:
(1) Man nimmt vier getrennte Schalter und stellt mit ihnen den BCD-Code ein.
(2) Man nimmt einen fertigen BCD-Kodierschalter.
(3) Man nimmt einen 10-stufigen Drehschalter mit 4 Ebenen und schließt die Kabel entsprechend dem BCD-Code an.
(4) Man nimmt einen 10-stufigen einpoligen Drehschalter und kodiert den BCD-Code mit Dioden. Dazu werden die Eingänge M0 bis M3 mit 4k7-Widerständen auf +5V gelegt und für jeden BCD-Wert Null geht eine Diode an die Schaltstellung.

Und hier nochmal das Schaltbild:
(Details können Sie dem Sketch entnehmen.)

Die Widerstandswerte der Potis sind (fast) beliebig, einzige Bedingung: linear.
Wer die Schaltung mit einem Arduinoboard aufbauen möchte, findet hier die Zuordnung von Arduinoportnummer (violett von 0 bis 19) zum Pin des ATMega328.
In diesem Fall entfällt auch in obigem Bild der grün gezeichnete 12V-Anschluss zum L298, er geht dann zu Vin des Arduinoboards. Die gelb gezeichneten 5V-Leitungen werden dann vom 5V-Anschluss des Arduinoboards versorgt.
|

|
Die Chinesen liefern das Modul L298 in verschiedenen Ausführungen. Je nach Typ müssen Sie etwas anders aufbauen.
- Wird DC nicht benötigt, dann kann 12V direkt an Vin (=V-Motor) angeschlossen werden und der 5V-Ausgang des L298 versorgt den 328.
- Wird DC gewünscht, wird es komplizierter: Vin kommt dann von der DC-Zusatzschaltung und kann damit auch unter 5V oder gar auf 0V fallen.
Die 12V müssen jetzt auf der Platine des L298 direkt auf dessen 5V-Regler gegeben werden und der Jumper, der Vin auf diesen 5V-Regler gibt,
muss abgezogen werden. Jetzt kann dieser 5V-Regler neben der Logik des L298 auch den 328 versorgen.
|
|